云境天合平板雷達水位計測量范圍—工作頻段為 80GHz,測距的范圍 40 米【型號推薦:TH-LD1,氣象環境監測儀器設備生產廠家,云境天合支持商家定制服務,設備選擇山東云境天合您放心】采用毫米級測量技術,量程范圍廣(可達30m),滿足大部分測量環境需求。測量精度受大氣條件(如溫度、濕度、氣壓)影響小,天氣(暴雨、大風)下依然能保持良好的性能。微波信號受溫度梯度、氣壓、水汽等環境因素影響小,波束能量集中,可避開干擾源。信噪比高,即使在波動的情況下也能獲得更優的性能。安裝簡便與免維護體積小、重量輕、成本低、壽命長,方便安裝。無人值守,全天候工作,功耗低,免維護。發射功率低,無污染,對人體和環境無害。防護等級高(如IP67),可在較大溫度區間(如-40℃至85℃)的環境中穩定工作。水庫壩前/庫區水位實時監控連續、準確地測量水庫蓄水位,為防洪調度決策和水資源優化配置提供核心依據。溢洪道/泄洪閘流量推算精確的水位數據是計算下泄流量的關鍵輸入參數,直接影響防洪安全和下游防護。

1、產品概述
LD1毫米波雷達是專門針對水位測距設計的,該模塊采用 FMCW 模式,非接觸式安裝設計, 體積小巧, 結構緊湊。精度高, 功耗低, 抗干擾能力強, 適用于湖泊河流、山洪預警、蓄水池、污水管網等水位監測。

2、產品主要參數指標
| 參數 | 符號 | 最小值 | 典型值 | 值 | 單位 | 說明 | |
| 發射機 | |||||||
| 發射頻率 | ? | 77 | 81 | GHz | 帶寬 4G | ||
| 輸出功率(EIRP) | Pout | 13 | 20 | dBm | |||
| 天線角度(參考圖 4) | |||||||
| 波束寬度 | (-3dB) | 水平方向 | 14 | ° | |||
| 垂直方向 | 10 | ° | |||||
| 電源 | |||||||
| 工作電壓 | VCC | 9 | 12 | 24 | V | ||
| 工作電流 | ICC | 20 | mA | 典型值 | |||
| 環境 | |||||||
| 工作溫度 | TOP | ﹣45 | + 85 | ℃ | |||
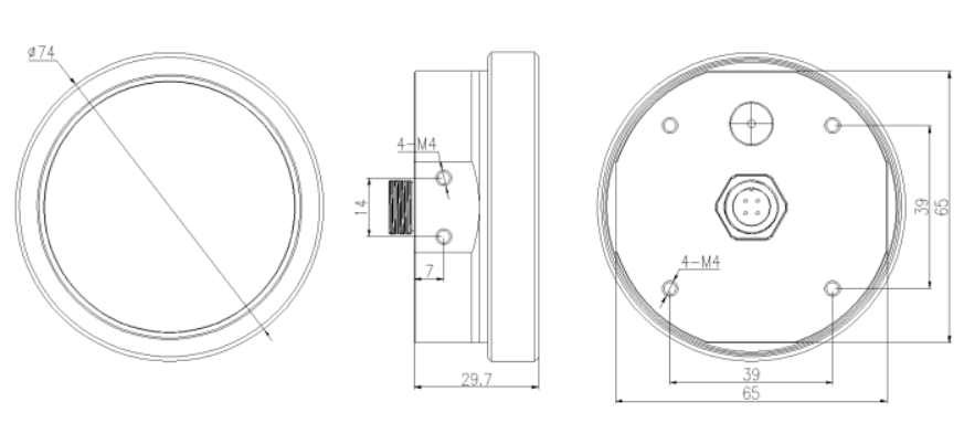
| 尺寸(長 x 寬 x 高) | Φ74 x 29.7(帶外殼) ,60 x 38 x 1.2(模塊) | mm | |||||
| 重量 | 100 | g | |||||
| 測量指標: | |||||||
| 測距范圍 | 0.1~40m | ||||||
| 測量精度 | ±5mm | ||||||
| 分辨率 | 1mm | ||||||
| 數據刷新 | 40ms | ||||||
說明: 雷達工作頻段為 80GHz,測距的范圍 40 米為測量范圍, 根據物體
RCS 的大小, 探測距離的值會 有偏差。
3、產品尺寸
免責聲明